Измерительные трансформаторы тока
Результатов: 22039
Трансформатор – это комплектующее изделие в составе комплектного устройства, которое представляет собой две обмотки из меди или алюминия на общем магнитопроводе. Такое оборудование используется для измерения напряжения либо тока выше определенных величин и преобразует ток большой величины до нужного уровня.
Назначение
Измерительный трансформатор тока предназначен для измерения величин более 100 Ампер. Он применяется в энергетических системах и цепях электростанций в промышленных и бытовых целях, чтобы преобразовывать ток до указанных значений. Это гарантирует дополнительную безопасность использования электроэнергии и учет ее потребления.

Рис. 1. Трансформаторы тока: а – ТОЛ-СВЭЛ-10, б – ТОЛ-СВЭЛ-35 III, в – ТПЛ-СВЭЛ-10, г – ТПОЛ-СВЭЛ-10, д – ТЗЛК(Р)-СВЭЛ-0,66, е – ТШЛ-СВЭЛ-10, ж – ТВ-СВЭЛ
Принцип работы
Измерительный прибор во время работы подключается не к сети напрямую, а к измерительному трансформатору тока. Это позволяет разделить цепи низшего и высшего напряжения. Уменьшение исходных значений дает возможность подключить защитные реле, измерительные приборы и другое оборудование и устройства. С помощью измерительных трансформаторов тока первичный ток преобразуется во вторичный при включении приборов и токовых катушек со сравнительно небольшим сопротивлением. Металлический сердечник устройства защищает вторичную цепь от токов с помощью эффекта насыщения. Режим короткого замыкания составляет принцип работы этих устройств.
Виды и типы
Измерительные трансформаторы тока, производимые «Группой СВЭЛ», можно подразделить на виды следующим образом:
1) По типу установки: для внутренней установки и для наружной.
2) По принципу конструкции:
- встроенные (встраиваются в полость электрических аппаратов и машин);
- опорные (устанавливаются на опорной плоскости);
- шинные (в качестве первичной обмотки используются одна или несколько параллельно включенных шин).
По возможности эксплуатации в определенных климатических условиях:
- О – в любом климате на суше, кроме очень холодного;
- Т – в сухом и влажном тропическом климате;
- У – в умеренном климате;
- УХЛ – в умеренном и холодном климате;
- ХЛ – в холодном климате.
4) По категории размещения:
- 1 – эксплуатация на открытом воздухе;
- 2 – использование под навесом, когда нет прямого контакта с солнцем и осадками;
- 5.1 – применение в помещениях с повышенной влажностью.
5) По количеству вторичных обмоток: от 1 до 6.
6) По номинальному первичному току: от 5 до 18 000 А.
7) По номинальному вторичному току: 1 и 5 А.
8) По классу напряжения: от 0,66 до 750 кВ.
9) Разъемные и неразъемные.
10) По типу охлаждения: сухие.
Группа СВЭЛ предлагает измерительные трансформаторы тока следующих типов:
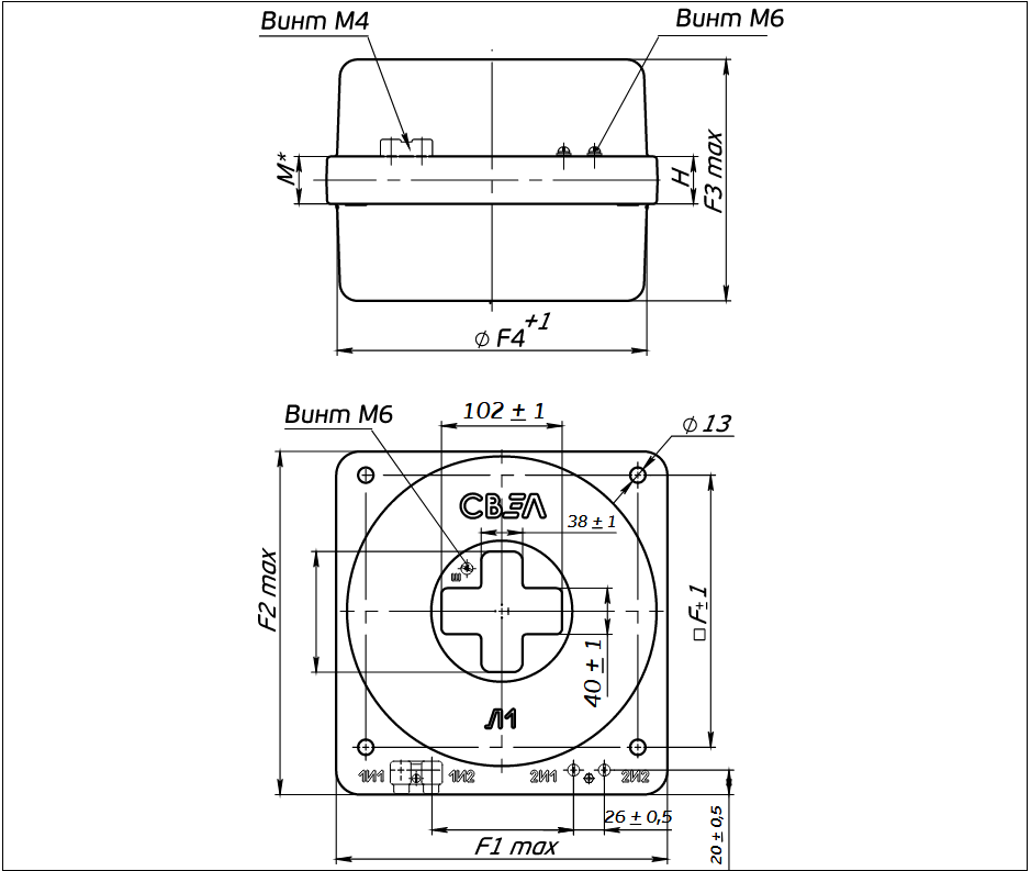
- ТОЛ – одновитковый стержневой с литой изоляцией (рис. 2).

Рис. 2. Общий вид измерительного трансформатора тока ТОЛ-СВЭЛ-10
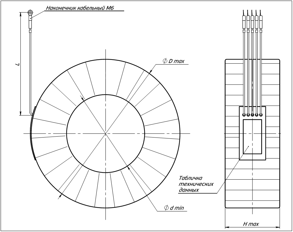
- ТШЛ – одновитковый шинный с литой изоляцией (рис. 3).

Рис. 3. Общий вид измерительного трансформатора тока ТШЛ-СВЭЛ-10-2.1
- ТВ – с воздушной изоляцией, встроенный (рис. 4).

Рис. 4. Общий вид измерительного трансформатора тока ТВ-СВЭЛ
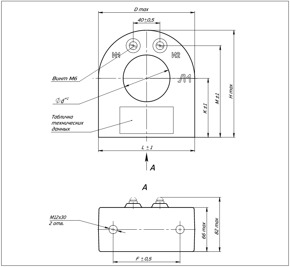
- ТЗЛК – для защиты от замыканий на землю с литой изоляцией, каскадный, с конденсаторной изоляцией или катушечный (рис. 5).

Рис. 5. Общий вид измерительного трансформатора тока ТЗЛК-СВЭЛ-0,66-70(100)
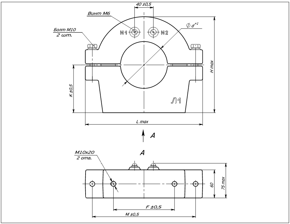
- ТЗЛКР – для защиты от замыканий на землю с литой изоляцией, каскадный, с конденсаторной изоляцией или катушечный для релейной защиты (рис. 6).

Рис. 6. Общий вид измерительного трансформатора тока ТЗЛКР-СВЭЛ-0,66
Устройство
Измерительные трансформаторы тока изготовлены в виде литой или опорной конструкции. Центр устройства – сердечник из специальной стали, а также две и более медные или алюминиевые обмотки на одном магнитопроводе. Изоляция выполняется из материала, который защищает обмотки от повреждений и влаги. Катушки первичного напряжения состоят из двух – четырех магнитопроводов со вторичными обмотками.
Условия эксплуатации
Без измерительного прибора категорически нельзя подключать измерительные трансформаторы тока в линию. Перед началом эксплуатации с поверхности устройства требуется удалить любые загрязнения (пыль, смазка и т.д.). Оборудование не должно иметь внешних повреждений.
Рекомендуется проверять трансформатор на достаточность сопротивления изоляции. Если цепь разомкнута, вторичная обмотка не эксплуатируется, а неиспользуемую обмотку нужно закоротить и заземлить. Должны быть соблюдены требования ГОСТ 32144 по качеству электроэнергии в сети. Также дополнительно проверяется надежность контактного соединения.
Чтобы обеспечить бесперебойную и точную работу оборудования и приборов, необходимо приобретать и устанавливать измерительные трансформаторы тока в соответствии с паспортными данными.
.webp)